0 引言
列車在高速運行的過程中,機車與鋼軌的頻繁沖擊會造成車輛軸承的發熱,當軸承磨損和產生缺陷時,會造成機損從而影響車輛的正常運行,甚至出現熱切軸,直接導致火車發生故障翻車,給國家和社會在鐵路運輸造成巨大的經濟損失。目前我國大部分采用紅外軸溫監測系統,但這種設備易受外界環境影響、探測點受車身擺動影響定位困難等原因,使得軸溫過高告警兌現率低、誤報率極高、而且外界因素對其工作狀態容易產生很大的干擾,失真嚴重,極有可能給發出錯誤的溫度提示,影響鐵路運輸的正常工作[1-2].針對這種情況,設計了系統簡潔、布局小巧、靈敏度高、收發信息能力快速的高速列車軸溫集中監測系統,可在第一時間發現運行中的列車軸承是否溫度過高,如軸溫超過預設定值,就發出報警信號,機車司機可及時的停車檢查,有效地降低事故發生率,避免因事故而產生的巨大經濟損失,維護鐵路運輸的正常運行。
1 系統總體設計
高速列車有多節車廂組成,每節列車車廂有兩個車軸架,每個車軸架上有兩個車軸,每個車軸兩端又有兩個軸箱。設計中在每個軸箱上安裝一個軸溫傳感器,每個軸架上設一個監測節點。絕大多數列車軸溫報警裝置仍然沿用了傳統的單車分散報警的模式,又考慮到列車存在經常調換機車車頭和車廂的問題,所以在傳輸方式上系統選用了2.4G無線通信傳輸方式。
為了防止數據阻塞,采用了輪詢問答方式進行通信,大大提高了通信質量和可靠度。系統主要由多個監測節點和一個部署在駕駛艙內的監測臺組成。系統結構示意如圖1所示。

圖1 系統結構示意圖
監測節點通過溫度傳感器將模擬信號轉換成數字信號,實時地將列車每個車軸的軸溫情況傳送到安裝在機車頭的監測控制臺,進行分析、顯示,供機車司機或者地面車輛檢修部門隨時監測車輛運行時軸溫的變化情況。在列車運輸過程中,當出現軸溫異常時,監測臺能發出報警信號給司機,提醒及時停車采取一定的措施排除故障,降低了機車在運行過程中因軸溫過高發生事故的幾率,從而確保列車運行的安全。
2 硬件結構
系統的無線節點硬件主要由微控制器ATmega128L、溫度傳感器PT100、無線通信模塊nRF24L01、存儲器K9F5608和電源管理模塊等組成。其中監測臺還包括報警和顯示屏單元。
硬件部件的控制器單元主要功能在于控制溫度傳感器采集列車的軸溫信息,并對信息進行處理和轉發,以及對接受到的數據進行分析、顯示。數據采集單元主要是通過溫度傳感器對軸溫信息的采集。無線通信單元用于發送采集到的軸溫數據,并與列車監測臺進行實時通信。節點硬件構成如圖2所示。

圖2 節點硬件構成
2.1 微控制器ATmega128L
考慮到控制器既要滿足系統的需求,又要保持低功耗和小體積的特性,故選用了8位微控制器ATmega128L,相對于其他通用的8位微控制器來說,它具有非常豐富的資源,工作于16MHz時性能高達16MIPS,具有片內128k字節的程序存儲器,4k字節的數據存儲器和4k字節的E2PROM;具有兩個16位定時器/計數器;具有53個通用I/O 口線、實時時鐘RTC、兩個USART、可工作于主機/從機模式的SPI串行接口、8路10位ADC、兩路8位PWM、與IEEE1149.1規范兼容的JTAG測試接口用于片上調試,以及6種可以通過軟件選擇的省電模式。控制器的ADC口與PT100的輸出連接,SPI接口與無線通信模塊nRF24L01連接實現數據的收發,PWM口用來驅動監測臺的報警單元,數據總線和地址總線與存儲器配合使用。
2.2 無線通信模塊nRF24L01
nRF24L01是工作在2.4GHz~2.5GHz的ISM 頻段的單片射頻收發器,內置頻率合成器、功率放大器、晶體振蕩器、調制器等功能模塊,支持Shock-Burst和Enhanced Shock-Burst兩種數據傳輸方式,其中輸出功率和通信頻道可通過程序進行配置。nRF24L01功耗低,在以-6dBm的功率發射時,工作電流也只有9mA,接收時,工作電流只有12.3mA,多種低功率工作模式(掉電模式和空閑模式)使節能設計更方便,接口最高速率可以到達8Mbps,工作電壓1.9~3.6V,采用SPI接口進行數據的收發,無線數據的傳輸速率最高達2Mbps,并有自動應答和自動重發射功能。輸出功率、頻道分配及協議的選擇可以通過SPI接口進行設置[3].
2.3 溫度傳感器PT100
常用的接觸式測溫傳感器有熱電偶、熱電阻、半導體石英晶體等,鉑熱電阻在0℃時的電阻值稱R (0℃)和100℃時的電阻值稱R (100℃)以及R (100℃)/R (0℃)叫做比值W100.監測節點溫度傳感器采用的是鉑電PT100,PT100的含義為(0℃)時的名義電阻值為100Ω,在溫度作用下,鉑熱電阻絲的電阻值隨之變化而變化,且電阻與溫度的關系即分度特性完全和IEC標準等同,因此PT100主要用來測量-200~+600℃的溫度。鉑電阻的電阻值與溫度成非線性關系,所以需要進行非線性校正[4].校正分為模擬電路校正和微處理器數字化校正,模擬校正有很多現成的電路,其精度不高且易受溫漂等干擾因素影響,數字化校正需要在微處理系統中使用,將鉑電阻的電阻值和溫度對應起來后存入EEPROM 中,根據電路中實測值以查表方式計算相應溫度值。常用的Pt電阻采樣電路有兩種:一為橋式測溫電路;另一為恒流源式測溫電路。
系統中監測節點采用的是是第一種橋式電流測溫電路,其具有測量準確度高、測量范圍大、復現性和穩定性好等優點。
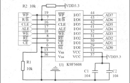
2.4 存儲器K9F5608
存儲器K9F5608 是三星公司生產的32MBytes容量的NAND Flash芯片,用來存儲臨時的軸溫數據,當通信中斷時可以把數據存在K9F5608中,待通信恢復正常后再將這些數據發送至監測臺。它具有8位數據/地址復用接口以及CLE、ALE、WP、R/B、CE等控制信號,硬件接口比較簡單,但讀寫時序相對較復雜,需要依次送入命令、地址、數據等。實際需要輸入24位的地址用來尋址,由于該芯片與控制器ATmega128L的接口是8位地址數據復用線,所以需要3個周期才能完成24位地址的輸入[5].存儲器K9F5608外圍電路如圖3所示。

圖3 K9F5608外圍電路
控制器ATmega128L的PA口完成對Flash數據﹑地址與命令的傳輸;用控制器的PG口來完成對Flash傳輸狀態的選擇,如CLE、ALE、R/B、CE等;用控制器的WE和RD信號來選擇FLASH是讀還是寫,在總線上傳輸的一般順序為:
命令->地址->命令/數據。
3 軟件設計
系統軟件包括監測節點軟件和監測臺軟件兩部分。為了確保正常通信,采用問答方式,即控制臺依次與每個監測節點建立通信,收到節點發來的數據后,再收取下一個節點的溫度數據信息,這樣就避免了阻塞的情況,確保數據的可靠性[6].
3.1 監測節點軟件
監測節點上電后,首先進行系統初始化,包括控制器各端口、寄存器和通信模塊nRF2401的配置等,之后進入接收控制臺指令狀態。當接收到指令時,立即讀取傳感器PT100的輸出值,經過查表處理得出當前軸溫信息,與節點ID打包正數據幀后發送到監測臺,并繼續進入到接收指令狀態。監測節點軟件流程如圖4所示。
3.2 數據格式
系統了制定了簡單的數據幀格式,如表1所示。

圖4 監測節點軟件流程

表1 監測節點數據幀結構
每個幀的幀頭都以‘start'’開始,占用5個字節;然后是占用3個節點的ID,可以認為是節點在網絡中的地址;再接下來就是占用6個字節的溫度值。當監測臺發送指令時,每個監測節點都收到數據,但只有指令中ID與節點ID匹配時才會將該數據返回給監測臺,如果不匹配則不做任何處理。
3.3 監測臺指令幀結構
監測臺與各監測節點通信的時候主要是通過發送指令完成的,指令幀結構如表2所示。

表2 監測臺數據幀結構
每個指令幀也是以“start”開始,占用5個字節;然后是需要提供溫度數據的節點ID,占用3個字節;再接下來是指令的有無效,占用1個字節;最后是以“end”的幀尾結束符,占用3個字節。
3.4 數據發送和接收
發送數據。首先將nRF24L01配置為工作在PTX 模式,接著把地址TX_ADDR和數據TX_PLD按照時序由SPI口寫入nRF24L01緩存區,置CE為高電平并保持至少10μs,拉低CE后發射數據,并立即進入接收模式等待應答信號。如果收到應答,則認為此次通信成功,TX_DS置高,同時TX_PLD從發送堆棧中清除;若未收到應答,則自動重新發射該數據,若重發次數ARC_CNT達到上限,MAX_RT置高,TX_PLD 不會被清除;MAX_RT 或TX_DS置高時,使IRQ變低,通知處理器做相應處理。發射成功后,進入空閑模式。
接收數據。首先將nRF24L01配置為PRX接收模式,接著延遲130μs進入接收狀態等待數據的到來。當接收方檢測到有效的地址和CRC時,就將數據包存儲在接收堆棧中,同時中斷標志位RX_DR置高,IRQ變低,通知處理器讀取數據,接收完數據后進入發射狀態并回傳應答信號,接收成功,CE變低進入空閑模式[5].
4 試驗結果與分析
試驗采用雙層集裝箱車,分別對空載和載重的兩種不同情況車廂進行了測試。空載車廂自重為25t,載重車廂重為78t.
兩種情況的測量結果如圖5所示。

圖5 測試結果
由于列車運行情況相對復雜,軸溫與速度、運行時間、制動、載重和環境溫度等情況都有密切關系。從對圖5的分析看,具體關系是:速度越快,軸溫越高;列車啟動階段,即0~30km之間,隨著運行時間的增加軸溫越高,當達到一定程度時,運行時間不再軸溫;在行駛到43~50km處,列車制動使車軸急劇升高,溫度達到71.45℃;在運行穩定狀態下,載重78t的車廂明顯比載重25t的車廂,溫度高6℃左右;另外,環境越高,軸溫越高。不難看出,載重越大,軸承運轉溫度越高,并且上升速度越快。
5 結論
針對目前列車軸溫探測存在的不足,借助于現代無線傳感器網絡技術,設計了系統簡潔、布局小巧、靈敏度高、收發信息能力快速的高速列車軸溫集中監測系統,擺脫了傳統有線的傳輸方式,可實時監測運行中的列車軸承情況,如超過軸溫監測預設定值,就發出報警信號,便于及時采取有效措施,有效地降低事故發生率,避免因事故而產生的巨大經濟損失。經過實驗得到兩種載重情況運行列車的軸溫數據,分析了提速列車的軸溫變化規律,給改進熱軸預報提供了數據基礎,對維護鐵路運輸的正常運行和高速鐵路的發展具有重要意義。 