摘要:電力系統中高壓開關柜的一次開關設備工作狀態、溫濕度控制、高壓帶電指示等功能一般是由信號燈和獨立的電氣元件實現的,這勢必會帶來集成度低、配線復雜、可靠性差的缺點。本文介紹了一種開關柜智能測控裝置,適用于3~35kV戶內高壓開關柜,用于一次開關設備狀態模擬顯示、高壓帶電指示、防凝露溫濕度控制、電參數測量等,大大提高了開關柜操控和測顯的集成度和智能化程度。
0 引言
開關柜一般有斷路器(負荷開關)、隔離刀閘、接地刀閘等一次開關設備。在運行或調試中,監測這些一次開關設備狀態是至關重要的。在傳統的開關柜上,一般使用信號燈來指示這些狀態的,這樣做顯示不直觀,且接線不方便。開關柜智能測控裝置將一次設備狀態顯示與開關柜的一次方案圖相結合,LED顯示器件置于一次方案圖中設備符號所處位置,電路狀態一目了然,生動直觀,如圖1所示。

圖1 ASD系列開關柜智能測控裝置產品示意圖
同時集成的高壓帶電顯示、自動溫濕度控制、電參數測量功能使開關柜盤面簡潔大方,降低二次接線工作量。
1 硬件設計方法
1.1 設計平臺
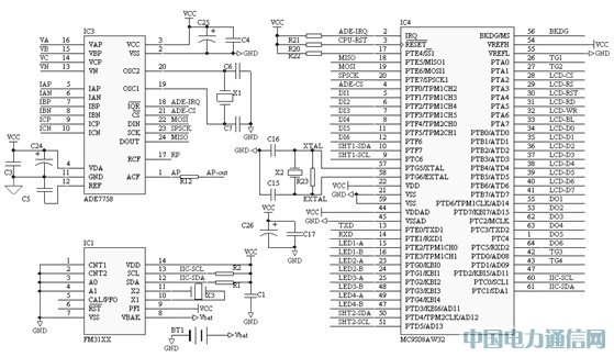
中央處理器采用Freescale公司的第一款基于高度節能型S08核的器件MC9S08AW32高性能單片機,該單片機片上資源豐富,支持BDM片上調試功能,片內集成看門狗電路,抗干擾能力突出,具有業內最佳的EMC性能。CPU總線頻率最高可達20MHz,最高運行速率可達40MHz。豐富的片上資源:32KB在線可編程FLASH存儲器,內部時鐘發生器,帶有2個可編程定時器,豐富的I/O口:雙SCI口,SPI、I2C等接口,極大的方便了硬件的擴展。
電能計量芯片采用美國ADI公司的高精確度三相電能測量芯片ADE7758。該芯片的測量精度高,功能強大。該IC內嵌高精度的模數轉換器和固定模式的數字處理信號處理器( DSP),具有數字積分、數字濾波、實用電能監測、計量功能。芯片帶有一個SPI串行口、有功電能脈沖輸出、無功電能脈沖輸出,可用于各種三相系統中有功功率、無功功率、電能、電壓電流有效值的測量以及以數字方式校正系統誤差所必須的信號處理電路。
ADE7758為各相提供系統校準功能,包括有效值偏移校準、相位校準、功率校準。
1.2 設計框圖
裝置硬件電路設計框圖如下,整個系統以MC9S08AW32為核心,按功能可劃分為中央處理單元、電源模塊、電壓電流采樣及運算、開關量控制模塊、溫濕度采集模塊、人機交互模塊、通訊模塊等。

圖2 硬件電路設計框圖
1.3 部分電路
1.3.1 中央處理單元
中央處理單元電路圖如圖3所示,CPU對采樣信號進行處理計算,根據測量得到的電流、電壓、溫濕度值與預先設定的各種保護數值進行對比,由此來判斷開關柜的電壓電流是否正常、溫濕度狀況是否正常,若不正常則輸出相應的告警信息。外部擴展了鐵電存儲器,用于存儲一些重要的參數,即使以后升級程序也不會丟失先前的重要數據。

圖3 中央處理單元電路圖
1.3.2 開關量控制模塊
開關量控制模塊包括開關量輸入和告警輸出,其電路圖如圖4所示。開關量輸入經光電耦合接入CPU;告警由GPIO口經光電耦合器連接到繼電器輸出。開關量輸入設有8路,依次對應一次圖中的斷路器合、斷路器分、手車工作位置、手車試驗位置、接地刀位置以及彈簧儲能指示,其余預留。開關量輸入對應一次圖可編程設置。開關量輸出設有6路,依次輸出加熱器1、加熱器2、風扇、告警、照明、閉鎖的狀態。

圖4 開關量控制模塊電路圖
1.3.3 人機交互單元
本裝置高端產品的人機交互界面采用LCD液晶顯示模塊。LCD采用128*128點陣顯示,初始界面為電參量顯示界面,通過按鍵輸入進入菜單設置界面,菜單選項均采用中文顯示界面,使得操作直觀易懂。通過菜單選項可以設置諸如接線方式、電壓變比、電流變比、告警定值、通信地址波特率等參數。低端產品則采用雙排四位LED數碼管顯示來溫濕度信息及各種可編程信息。用戶可根據實際需要進行設置各種告警定值參數、通信地址波特率等。
1.4 評述
本裝置采用的電源模塊為開關電源模塊。該電源模塊輸入電壓為AC90~285V或DC100~300V,輸入頻率45~60Hz,輸出電壓穩定、故障率小,輸出紋波<1%,轉換效率≥75%。具有過壓、過流保護。該模塊經實際現場使用,具有很高的穩定性、可靠性和抗干擾能力。
溫濕度傳感器采用SHT10,該系列產品是一款高度集成的溫濕度傳感器芯片,具有超快響應、抗干擾能力強等優點,提供全標定的數字輸出。CPU與SHT10采用串行接口,在傳感器信號的讀取及電源損耗方面,都做了優化處理。
高壓帶電顯示模塊由高壓帶電傳感器輸入電信號,由此判斷此高壓柜是否帶電。由于母線電壓較高,所以高壓帶電顯示電路采用了各種過壓保護、隔離保護器件來確保裝置內部電路的正常工作。
此外,本裝置還集成有操控功能、人體感應功能、語音防誤提示功能等。
2 軟件設計流程
系統軟件設計包括主程序、通訊模塊2個部分。
主程序完成上電或復位初始化,電能芯片初始化,其他外設初始化,溫濕度測量,讀取電參數,電量計算,狀態顯示及報警處理,LCD顯示刷新及按鍵處理等功能,程序設計流程如圖5。
CPU初始化主要指對CPU的特殊狀態寄存器SFR進行配置,設置I/O口的輸入輸出狀態及初始狀態,讀取鐵電寄存器數據等;電能芯片初始化主要指對ADE7758功能寄存器的配置;主程序其余部分則是對各項功能的完成,只有合理安排程序流程來完成這些功能,裝置才能可靠工作。
通訊模塊以中斷方式實現,主要完成接收數據,協議處理等功能。通訊協議采用標準MODBUS-RTU規約,便于上位機的通訊,與其他網絡儀表組網使用,實現對開關柜狀態的實時監測。

圖5 程序設計流程圖
3 實現的技術指標及性能
ASD系列開關柜智能測控裝置的技術指標見表1。產品設計時采用優異的電磁干擾PCB設計技術,生產時經過整機帶電老化與出廠檢驗測試,確保了產品的長期工作的穩定性和可靠性。
表1 ASD裝置技術指標
|
技術參數
|
指標
|
|
輸入
|
網絡
|
三相三線、三線四線
|
|
頻率
|
45~60 Hz
|
|
電壓
/電流
|
額定值:AC 100V/5A
|
|
過負荷:1.2倍額定值(持續);2倍額定值持續1秒
|
|
功耗:電壓回路小于0.5VA;電流回路小于1VA
|
|
輸出
|
電能
|
輸出方式:集電極開路的光耦脈沖
|
|
脈沖常數:32000imp/kWh
|
|
通訊
|
RS485接口,MODBUS-RTU協議
|
|
精度
|
電參量
|
頻率0.05Hz、無功電能1級,其余0.5級
|
|
溫濕度
|
溫度:±1℃;濕度:±4%
|
|
開關量輸入
|
8路干接點輸入,內置+12V電源
|
|
開關量輸出
|
輸出方式:6路繼電器輸出
|
|
觸點容量:AC250V/5A
|
|
電源
|
AC90-285V,DC100-300,功耗≤8VA
|
|
安全性
|
工頻耐壓:AC2kV/1min;絕緣電阻:>100MΩ
|
|
電磁兼容性
|
靜電測試:3級;脈沖群測試:4級;浪涌測試:4級
|
|
環境
|
工作溫度:-10~55℃;存儲溫度-20~70℃;相對濕度:5%~95%不結露;海拔高度:小于2500米
|
4 應用案例

圖5 典型應用接線圖
在某水泥廠高壓開關柜設計中,全部采用了ASD系列開關柜智能測控裝置。應用方案見圖5。圖中信號指示回路通過開關量輸入采集來實現一次原理圖指示;帶電顯示回路通過高壓傳感器輸入來指示母線是否帶電;溫濕度控制回路通過溫濕度傳感器輸入來實現溫濕度控制。并帶有Modbus通訊輸出, 供用戶遠程監測和控制。一改以往每個開關柜需配備不同廠家的多種產品,既減少了工程量節約了成本,又提高了系統的可靠性。投入試用的開關柜智能測控裝置以其良好的穩定性和可靠性能保證了對開關柜內的一次設備的保護,并且保證了對于電壓、電流、功率等參數的準確測量和對電能的準確計量,同時方便了用戶對開關柜的實時監控。
5 結語
開關柜智能測控裝置針對電力開關柜的控制要求設計,適用于中置柜、手車柜、固定柜、環網柜等多種開關柜。該產品已經系列化,集操作、顯示于一體,滿足多種客戶的需求,具有功能齊全、運行可靠、抗干擾性能優越等特點,應用前景十分廣闊。
參考文獻:
[1] 任致程,周中. 電力電測數字儀表原理與應用指南[M].北京:中國電力出版社,2007.
[2] 王威.嵌入式微控制器S08AW原理與實踐[M].北京:北京航空航天大學出版社,2009.
[3] ADE7758數據手冊[EB/OL].Analog Devices,2006.
[4] 孫興麗,劉曙光. 一種開關柜智能操控裝置的設計與實現[J]. 高壓電器,2009.